- Доступность: На складе
состоит из сигнализатора загазованности Кенарь GD100-L и клапана
Предназначена для автоматического непрерывного контроля объемной доли пропана в воздухе (концентрации), выдачи сигнализации и перекрытия газовой магистрали при превышении установленного порогового значения.
Область применения - жилые, бытовые, административные и общественные помещения, оборудованные газогорелочными устройствами, работающие на сжиженном газе (пропане).
Установку приборов необходимо производить согласно руководствам по эксплуатации на сигнализатор Кенарь GD100, клапан GV-80 или клапан GV-90.

Пример размещения оборудования
.jpg)
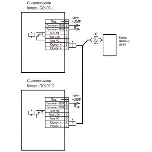
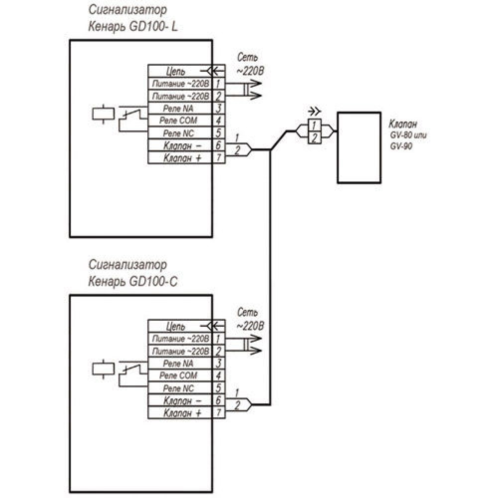
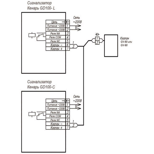
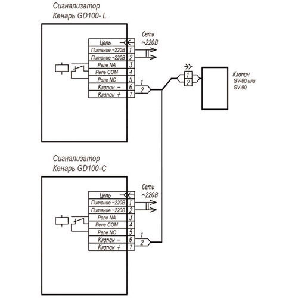
Схема соединения приборов




