- Доступность: На складе
состоит из отдельных сигнализаторов загазованности Кенарь GD100-N, GD100-C и клапана
Предназначена для автоматического непрерывного контроля объемной доли метана в воздухе (концентрации) и объемной доли оксида углерода в воздухе (концентрации), выдачи сигнализации и перекрытия газовой магистрали при превышении установленного порогового значения любым из контролируемых газов.
Область применения - жилые, бытовые, административные и общественные помещения, оборудованные газогорелочными устройствами, работающие на природном горючем газе (метане).
Установку приборов необходимо производить согласно руководствам по эксплуатации на сигнализатор Кенарь GD100, клапан GV-80 или клапан GV-90.

Пример размещения оборудования
.jpg)
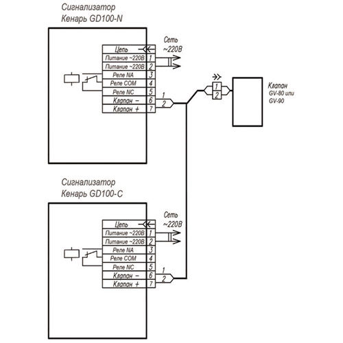
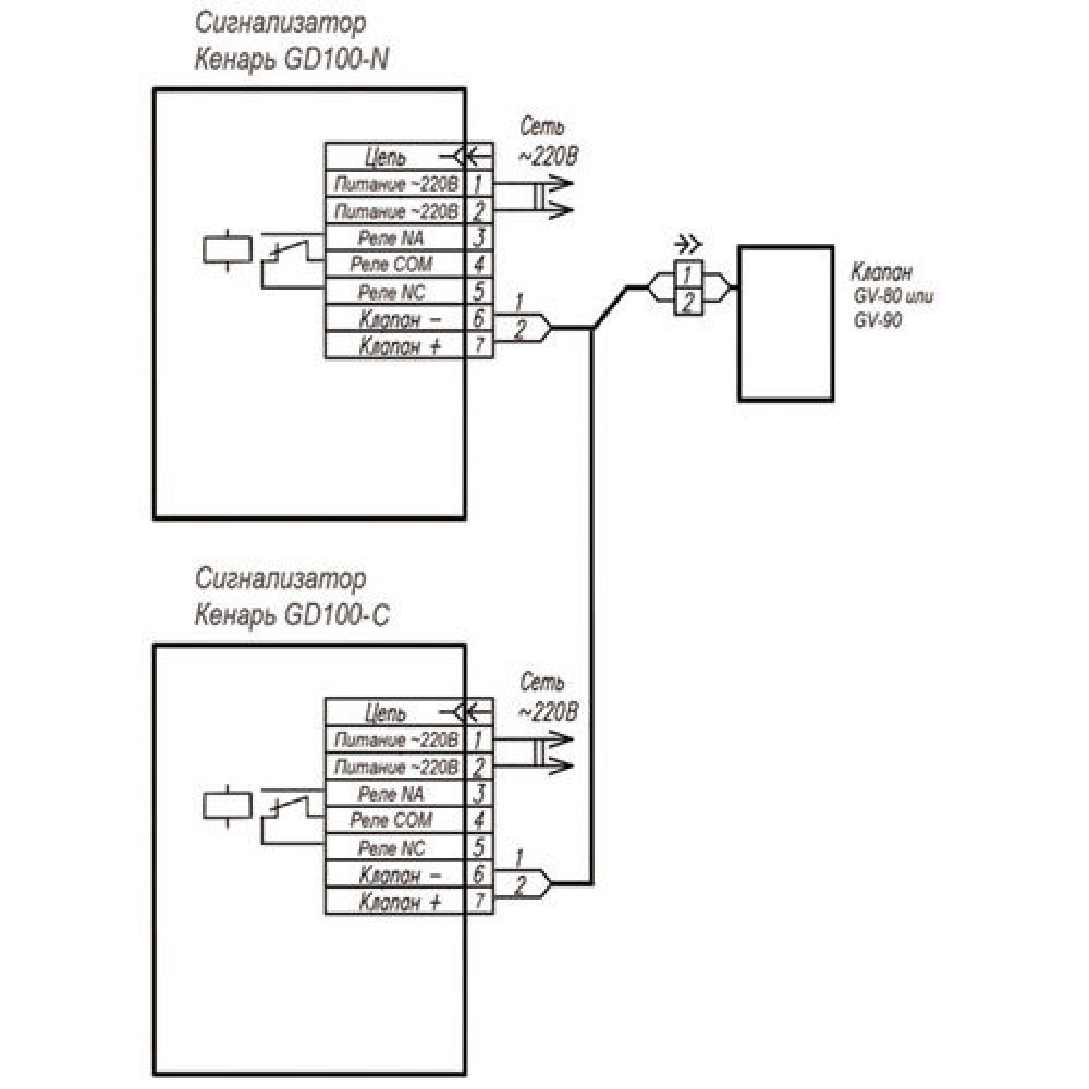
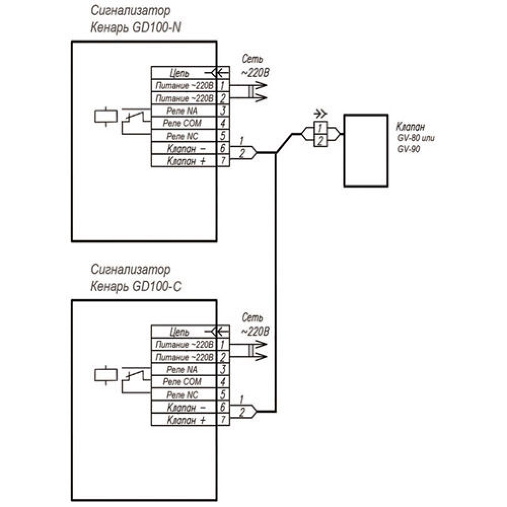
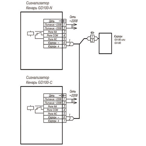
Схема соединения приборов




