- Доступность: На складе
состоит из сигнализатора загазованности Кенарь GD100-N и клапана
Предназначена для автоматического непрерывного контроля объемной доли метана в воздухе (концентрации), выдачи сигнализации и перекрытия газовой магистрали при превышении установленного порогового значения .
Область применения - жилые, бытовые, административные и общественные помещения, оборудованные газогорелочными устройствами, работающие на природном горючем газе (метане).
Гарантийный срок на приборы: 12 месяцев.
Технические характеристики, рекомендации по применению, порядок установки приведены в Руководствах по эксплуатации к приборам.

Пример размещения оборудования
.jpg)
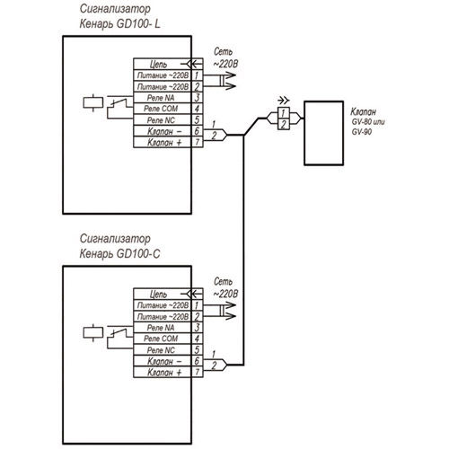
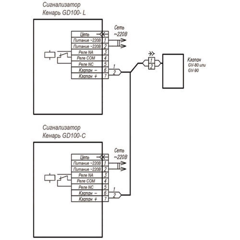
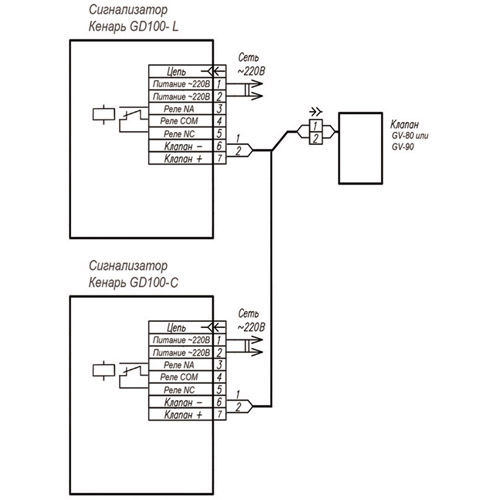
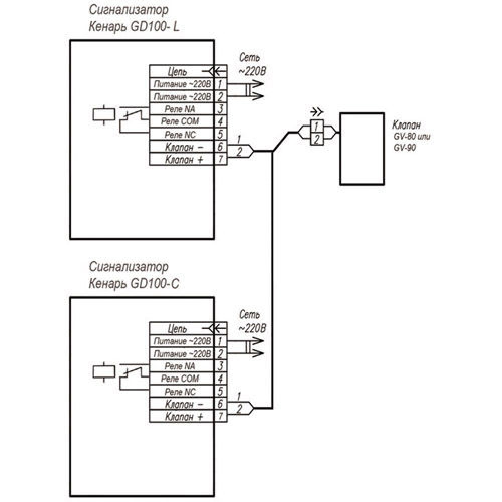
Схема соединения приборов




